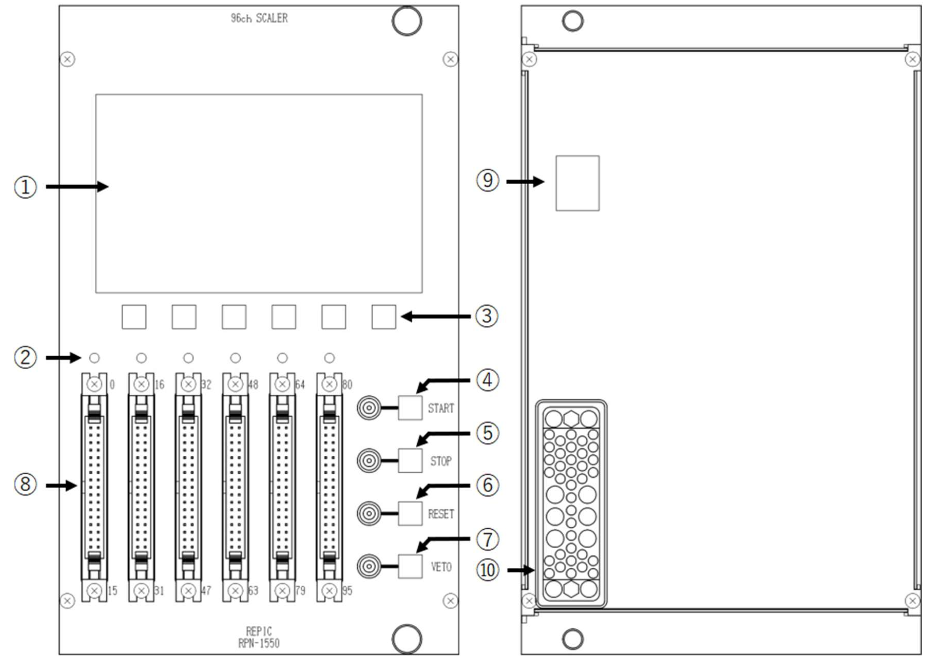
- RPN-1550は、多数チャンネルの計測システムに対応する96ch入力、8桁×12表示のNIM4幅スケーラーモジュールです。
- フロンパネルに液晶画面、プッシュスイッチとNIM入力(Start,Stop,Reset,Veto)端子を搭載し、手動または、リモートにて操作することが可能です。
- 入力信号レベルはネガティブECL or NIMに対応可能です。ご注文時に入力レベルをご指定ください。
- リアパネルLANコネクタを搭載し、カウンター値をイーサーネット経由で取得する事が可能です。
- Windows PC向けデクトップアプリケーションも用意されています。
- NIM入力用のフラットケーブル-LEMO変換ケーブルの製作も承っております。(オプション)
HAYASHI-REPIC
RPN-1550 96Ch. スケーラー
型式 / 型番:RPN-1550
第4事業部へのお電話・FAXでの
お問い合わせはこちらから
Tel. 03-3918-5326
Fax. 03-3918-5712
特徴
- 96ch内蔵/4幅NIMモジュール
- 計数範囲0〜99999999
- ECL/NIM入力
- リモートコントロール機能
外観図
仕様
| チャンネル数 | 96ch |
|---|---|
| 計数範囲 | 0〜99999999 |
| カウンター信号入力 | ECL NIMレベル、34pin-Flat connector×6個 |
| カウントレート | 100MHz |
| 各種入力 | Start,Stop,Reset,Vetoの各種信号は、NIM(negative)、QLA(LEMO型)female |
| 使用温度 | 0 ~ 40℃(室内での使用を前提) |
| 消費電流 | +6V 1000mA |
| ケース | NIM 4幅 |
PDFダウンロード
関連製品
-
在庫最後の1台限りで販売終了
REPIC
RPN-190 16ch ECL-NIM LEVEL TRANSLATOR
16chのECLロジック信号をNIM信号に変換して出力するレベル変換モジュールです。
-
REPIC
RPN-511 TIMING SIGNAL TRANSCEIVER
入力されたトリガ信号を高精度なタイミング信号として出力する、NIM規格2ch内蔵のTRANSCEIVERモジュールです。
-
REPIC
RPN-260 16ch NIM to ECL CONVERTER
NIM1幅16ch内蔵のNIM信号-ECL信号変換モジュールです。
-
REPIC
RPN-261 16ch ECL to NIM CONVERTER
NIM1幅16ch内蔵のECL信号-NIM信号変換モジュールです。ECL差動入力は34ピンコネクタ100Ωインピーダンスになっています。
-
REPIC
RPN-092/093 8ch/16ch PM AMP
光電子増倍管からの信号を高精度で増幅し出力する8ch(16ch)AMP.モジュールです。
-
REPIC
RPN-410/415 3 FOLD FAN-OUT
3chの独立したロジックFAN-OUTモジュールです。入力はNIM又はTTLレベルで、4種類の出力は用途に合わせた使用が可能です。
お問い合わせ
RPN-1550 96Ch. スケーラー
- 問い合わせ内容 必須
- ※複数選択可
-
- お問い合わせの詳細必須
-
- 御社名必須
-
- 部課名任意
-
- ご担当者(姓)必須
-
- ご担当者(名)必須
-
- メールアドレス必須
-
- 電話番号必須
- ※半角英数字ハイフンなし
-
- 郵便番号必須
- ※半角英数字ハイフンなし
-
プライバシーポリシーをご確認いただき、同意の上お問い合せください。